|
多圈线绕电位器 multi-turn wirewound potentiometer |
| 型号:3590S |
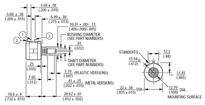
| 封装直径 Package Diameter(mm) |
22
|
形状 Shape |
圆形 Round
|
转数 Number of Turns |
10
|
| 密封型 Sealable |
IP65
|
轴 Shaft |
金属 Nickel Plated Rail
|
电阻材料 Element |
线绕 Wirewound
|
| 接线端 Terminal |
接线片焊接/侧 Solder Lug/Side
|
输出特性-线性 Taper-Linear |
X
|
线性度 Linearity |
±0.25%
|
| 最小阻抗 Resistance-Minimum |
100Ω
|
最大阻抗 Resistance-Maximum |
100K
|
阻值误差 Tolerance resistance |
±2%~±10%
|
| 额定功率 Power-Rating(W) |
2
|
旋转角度 Angle of rotation |
3600°
|
旋转寿命(无负载)Rotational Life (no load) Cycles |
10000
|
| 轴径SHAFT DIAMETER |
6.35mm
|
|
|
|
|
产品说明:


|
|
|